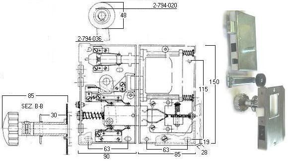
| kód |
jellemzők |
kép |
| D530680 |
mozgó rész érintkezővel félautomata ajtó zárhoz
(2794021.02) |
 |
| D530681 |
érintkező mozgó részre (2794027) |
 |
| D530682 |
csavar és sablon KIT |
 |
| D530683 |
retesz érintkező - dupla - Monitor
zárhoz |
 |
| D530684 |
retesz érintkező - Monitor zárhoz |
 |
| D530685 |
retesz zárhoz (2794026) |
 |
| D530686 |
retesz rugó (30010489) |
 |
| D530687 |
belső fogantyú |
 |
| D530688 |
általános belső kar |
 |
| D530689 |
általános belső kar kényszernyitáshoz
|
 |
| D530690 |
retesz érintkező rugóval |
 |
| D530691 |
kar görgővel |
 |
| D530695 |
Alátét 100x140x1 Monitor rögzített zárhoz |
 |
| D530696 |
Alátét 90x140x1 Monitor mozgó zárhoz |
| D530697 |
Acél alátét 80x148x1 Monitor rögzített zárhoz |
 |
| D530698 |
Acél alátét 80x148x1 Monitor mozgó zárhoz |